
发卖:17346546283
发卖:010-68465926
手艺活:18611287598
发传真:010-68465926
Q Q:3226344213
qq邮件:info@xjlkj.cn
时间段:东莞市海淀区大慧寺3号北区20号楼那层105室

GOLDY-10AF-ML型激光铝水液位计
时候:2025-11-11 19:55

一、概述:
GOLDY-10AF-ML型激光机器铝水液位计常用于对各种各样铝锻炉、铝液流槽、铝浇铸等操作下的铝水液面角度关闭精确测量。● RS485Modbus RTU通信和谈(tan),最多可设置247个装备地点
● 丈(zhang)量精(jing)度<±1mm,分辩率0.1mm
● 利用白色可见激光(guang)束,丈量规模可达10米
● 可调节支(zhi)架,易(yi)于装置调剂
● 双层(ceng)合金铝外壳,规(gui)范快(kuai)插接口,可𝄹通紧缩氛围冷却和光路吹扫
二、手艺数据:
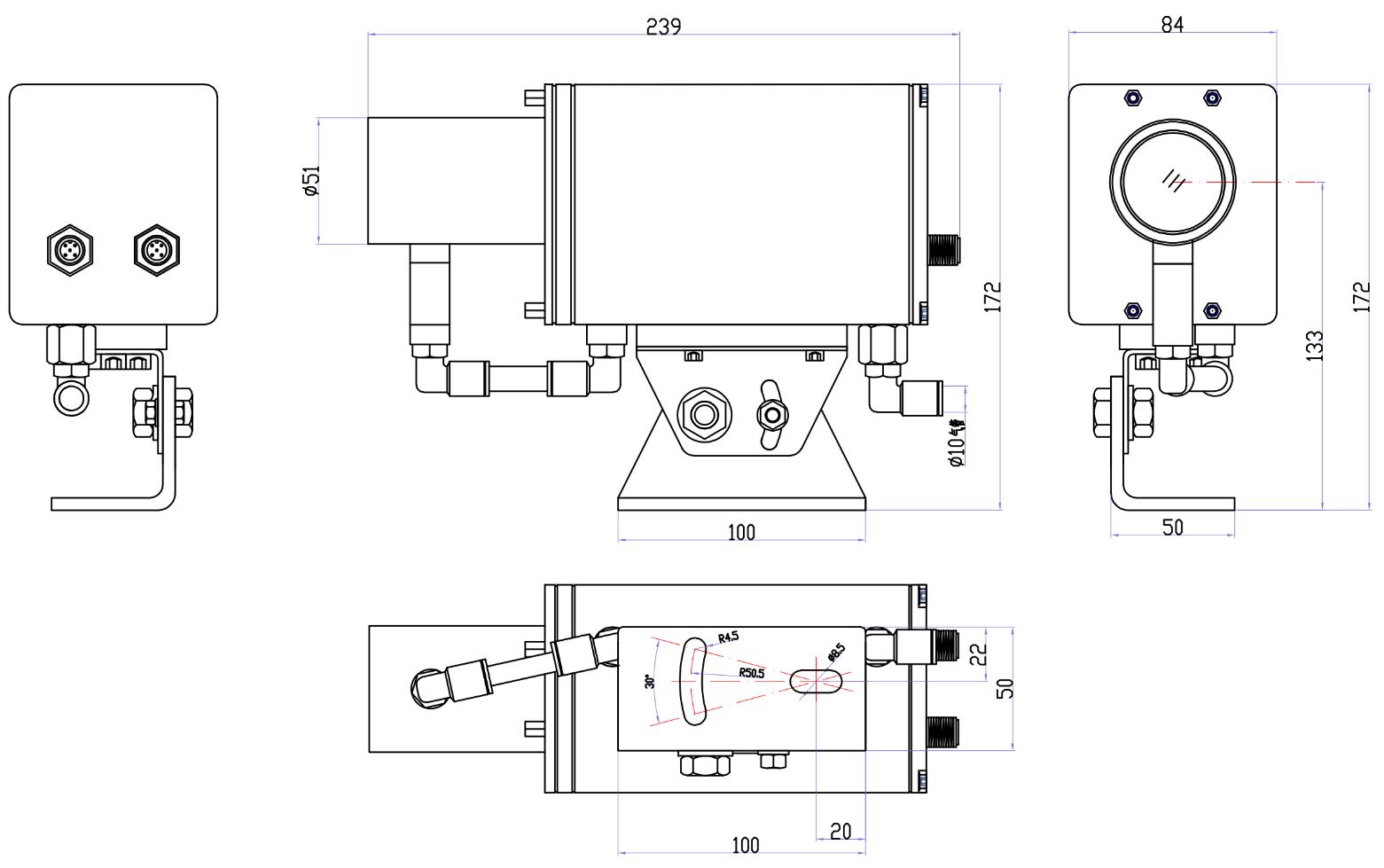
三、形状尺寸:
四、可选附件:
下一篇:不了 上一篇:激光铝水液位计



