
发卖:17346546283
发卖:010-68465926
传统手工艺:18611287598
座机:010-68465926
Q Q:3226344213
163邮箱:info@xjlkj.cn
位置:青岛市海淀区大慧寺16号北区20号楼顶层105室

HMLDM-DM20HT-PN型低温激光测距仪
时候:2025-10-16 20:25

一、概述:
HMLDM-DM20HT-PN型高湿环境离子束测距仪特别主要用于高湿环境固态、介质的整体素质、尺寸规格、髙度的精确测量。经过流程profinet流量体例将大数据传送数据无小事位有机体系。● 丈量低温物体(ti),能坚持很高的丈量精度(du)和靠得(de)住(zhu)性
● 丈(zhang)量精度<±1mm,分辩率0.1mm,反(fan)🗹复性±0.5mm
● 利用白色可见激光(guang)束,丈量规(gui)模可达30米
● 规范的profinet接口,矫捷靠得住
● 不锈钢外(wai)壳,可通(tong)水、气停止冷却(que)
二、手艺数据:
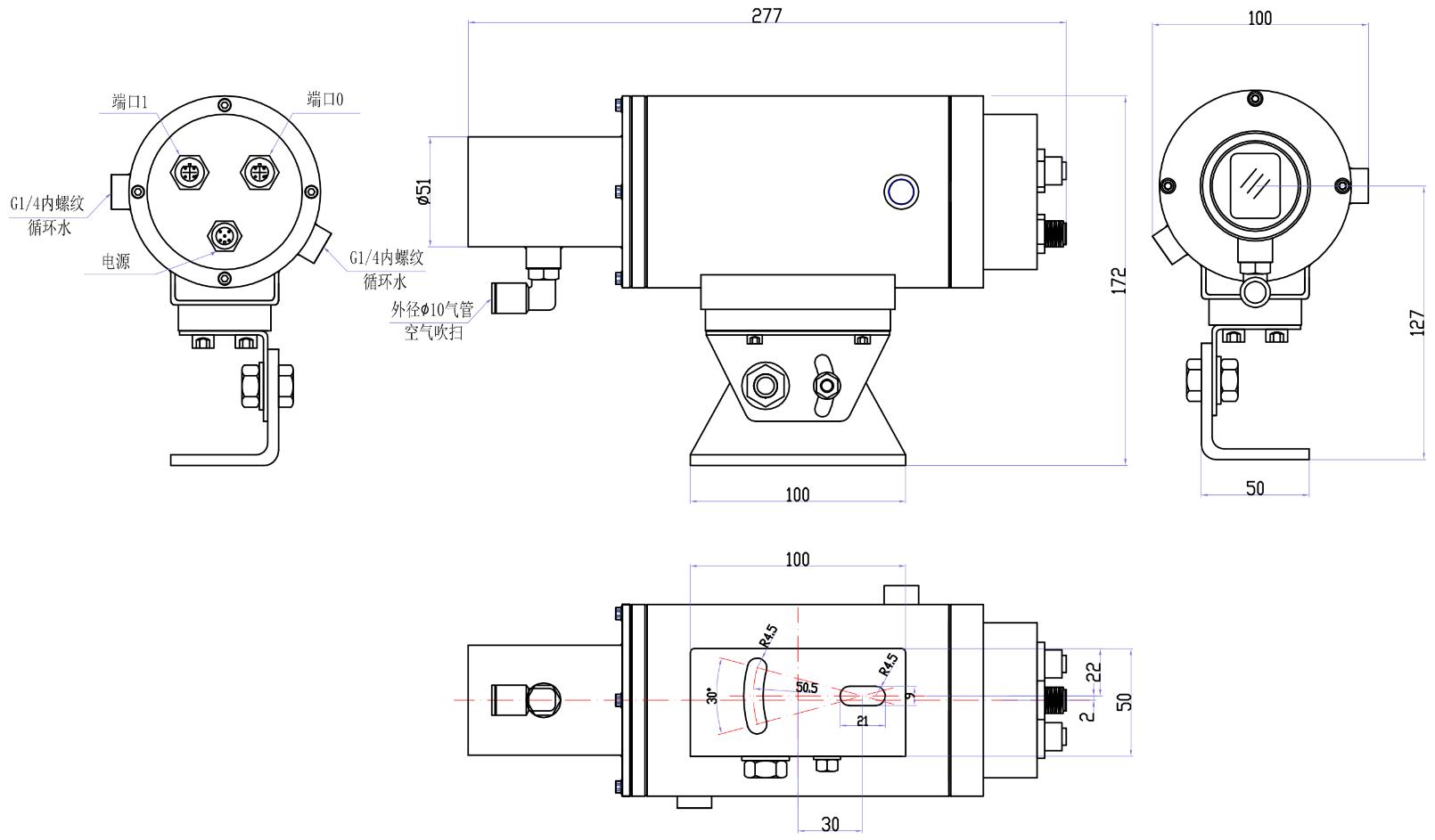
三、形状尺寸:
四、可选附件:
下一篇:不了 上一篇:低温激光测距仪



