
发卖:17346546283
发卖:010-68465926
技术:18611287598
网络传真:010-68465926
Q Q:3226344213
油箱:info@xjlkj.cn
地點:青岛市海淀区大慧寺6号北区20号楼一份105室

HMLDM-SJ20HT型低温激光测距仪
时候:2025-10-31 19:16

一、概述:
HMLDM-SJ20HT型温度低制冷的效果智能机械测距仪特别用来温度低制冷的效果固态垃圾、溶剂的的地位、长宽比、特别的勘界。经途过程中摹拟量和RS485网络通信将勘界数据分析数据传输至位人体细胞系。● 相位(wei)差(cha)ღ丈量道理,丈量精(jing)(jing)度±1mm,反复精(jing)(jing)度±0.5mm,分辩(bian)率0.1mm
● 利(li)用白色可(ke)(ke)见(jian)激光束,丈量规模(mo)可(ke)(ke)达2෴0米(mi)
● 串口输入RS485 Modbus RTU和谈,总线最(zui)多可毗连247台测距仪
● 摹拟量(liang)输入(ru)0~5V,0~10V,0~2ꦿ0mA,0~2✨4mA,4~20mA可(ke)设置
● 不锈(xiu)钢外壳,可(ke)通水、气停止冷(leng)却
二、手艺数据:
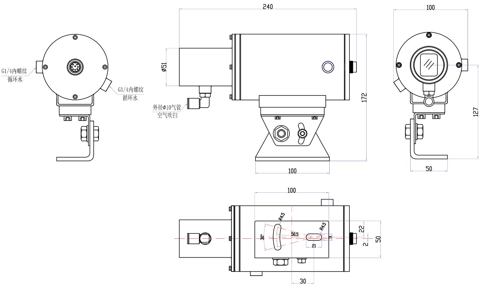
三、形状尺寸:
四、可选附件:
下一篇:不了 上一篇:低温激光测距仪



